 
			Produits
				
																								
							Revenir à la liste des produits
						
									
								
					
										
																														
							
							
    
						
												
																									
						
				
								
					
																									
															
																		
							
								
																													                                        																																																																																																																																				
							
						
							
					
					
					
										
						
					
					
						
				
					
				
						
						
												
					
											
										
			
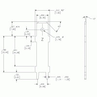
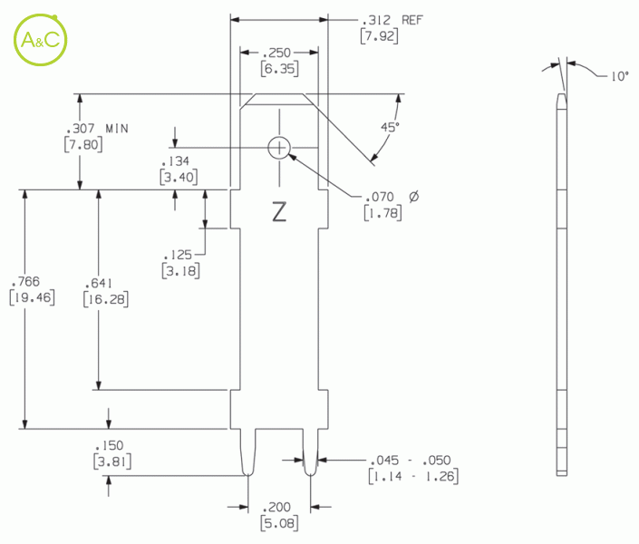
		0.250" (6.35mm) Tabs / Quick Disconnect Terminals
Avez-vous des questions sur ce produit?
								Plus d’infos sur cette marque: 
								
									 Zierick
									Zierick
										
							
						
					 Zierick
									Zierick
										
							- General
| Article Number | 953 | 
| Packaging | Loose | 
| Extra Description | Straight, 31.07 mm high | 
| Material Thickness / Type | 0.032" (0.81mm) C26000 Brass | 
| Standard Finish | 100% Tin over Copper | 
| Current Rating Ul | 20 Amperes | 
| Current Rating C-ul | 20 Amperes | 
| Ul File Number | E146208 | 
| Applicator System | ZPT81-A | 
| Mounting Type | Outward Splay | 
| Mounting Hole Diameter | 0.058" ±0.003" (1.47mm ±0.076mm) | 
| Pieces Per Reel (loose Part No.) | NA | 
| Fiche produit | Télécharger la fiche produit | 
							 Les propriétés diffèrent selon les variantes et sous-variantes
						
					Accessoires
					
																												
																
				 
						 
							
							
								 
							
							
								 
							
						 
										 
										 
										