 
			Produits
				
																								
							Revenir à la liste des produits
						
									
								
					
										
																														
							
							
    
						
												
																									
						
				
								
					
																				
																		
							
								
																													                                        																																																																																																																																				
							
						
												
												
												
												
												
							
					
					
					
										
						
					
					
						
				
					
				
						
						
														
			
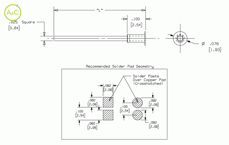
		Surface Mount Solid Pins
Avez-vous des questions sur ce produit?
								Plus d’infos sur cette marque: 
								
									 Zierick
									Zierick
										
							
						
					 Zierick
									Zierick
										
							Pin Length
- 0.250"
- 0.375"
- 0.421"
- 0.500"
- 0.625"
- 0.750"
| Article Number | A1-250 | 
| Packaging | Loose | 
| Dim 'l' | 0.250" (6.35mm) | 
| Pin Width | 0.025" (0.64mm) Square | 
| Standard Finish | 100% Tin over Copper | 
| Current Rating | 8 amperes | 
| Feeder System | Surf-Shooter SMT Loose Piece Feeder (Pin Shooter) | 
| Fiche produit | Télécharger la fiche produit | 
							 Les propriétés diffèrent selon les variantes et sous-variantes
						
					 
						 
							
							
								 
							
							
								 
							
						 
										 
										 
										