Produkte
				
																								
							Zurück zur Projektübersicht
						
									
								
					
										
																														
							
							
    
						
												
																									
						
				
								
					
																				
																		
							
								
																													                                        																																																																																																																																				
							
						
												
							
					
					
					
										
						
					
					
						
				
					
				
						
						
												
					
											
										
			
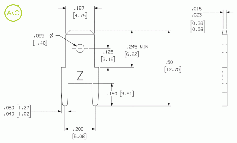
		0.205" (5.21mm) Tabs / Quick Disconnect Terminals
Haben Sie Fragen zu diesem Produkt?
								Weitere Informationen über diese Marke: 
								
									
									Zierick
										
							
						
					
									Zierick
										
							Material Tickness
- 0.020" (0.51 mm
 - 0.032" (0.81mm)
 
| Article Number | 893 | 
| Packaging | Loose | 
| Material Thickness / Type | 0.020" (0.51mm) C26000 Brass | 
| Standard Finish | 100% Tin over Copper | 
| Current Rating Ul | 20 Amperes | 
| Current Rating C-ul | 20 Amperes | 
| Ul File Number | E146208 | 
| Applicator System | ZPT81-A | 
| Mounting Type | Outward or Inward Splay | 
| Mounting Hole Diameter | 0.050" ±0.003" (1.27mm ±0.076mm) | 
| Pieces Per Reel (loose Part No.) | NA | 
| Datenblatt | Download Datenblatt | 
							 Die Merkmale zwischen Varianten und Subvarianten sind unterschiedlich
						
					Zubehör