
Products
Back to product overview
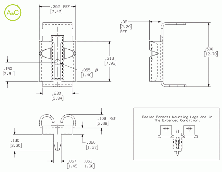
0.205" (5.21mm) and 0.250" (6.35mm) Tab Receptacles
Do you have any questions about this product?
More info on this brand:
Zierick

Insertion Force-max.
- 5.0 lbs.
- 10.0 lbs.
Article Number | 1093 |
Remark* | With steel test tab |
Packaging | Loose |
Extra Description | With dimple 1,40 mm |
Mating Terminal Size | 0.250" x 0.032" (6.35mm x 0.81mm) Tab 0.205" x 0.032" (5.21mm x 0.81mm) Tab |
Material Thickness / Type | 0.016" (0.41mm) C26000 Brass |
Standard Finish | 100% Tin over Copper |
Current Rating | 20 Amperes |
Mating Type | Horizontal |
Mounting Type | Outward or Inward Splay |
Mounting Hole Diameter | 2 holes 0.063" ±0.003" (1.6mm ±0.076mm) on 0.500" ±0.003" (12.7mm ±0.076mm) centers |
Resistance Rating | 10mOhm Max |
Mating Entry | Horizontal |
Temperature Rating | -65° to 85°C |
Withdrawal Force-max. | 2.0 lbs. (8.90N)* |
Pieces Per Reel (loose Part No.) | NA |
Product sheet | Download product sheet |
Characteristics differ between variants of a connector