Products
Back to product overview
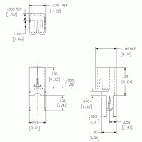
Universal Tab Receptacles for 0.025" (0.64mm) and 0.032" (0.81mm) Thick Terminals
Do you have any questions about this product?
More info on this brand:
Zierick
Zierick
Packaging
- Loose
- Reeled
- Taped
| Article Number | 1118 | 1188 |
| Extra Description | Mounting type is Split leg Outward Splay | Mounting type is Split leg Outward Splay |
| Mating Terminal Size | 0.025" (0.64mm) and 0.032" (0.81mm) | 0.015" (0.38mm) and 0.025" (0.64mm) |
| Material Thickness / Type | 0.016" (0.41mm) C26000 Brass | 0.016" (0.41mm) C26000 Brass |
| Standard Finish | 100% Tin over Copper | 100% Tin over Copper |
| Current Rating | 20 Amperes | 20 Amperes |
| Applicator System | Loose: ZPT81-1092 Reeled: Model 9700, 9700 XY | Loose: ZPT81-1092 Reeled: Model 9700, 9700 XY |
| Mating Type | Bottom and Horizontal | Bottom and Horizontal |
| Mounting Type | Split Leg Outward Splay | Split Leg Outward Splay |
| Mounting Hole Diameter | 2 holes 0.066" ±0.003" (1.68mm ±0.76mm ) on 0.134" ±0.003" (3.40mm ±0.76mm) centers | 2 holes 0.066" ±0.003" (1.68mm ±0.76mm ) on 0.134" ±0.003" (3.40mm ±0.76mm) centers |
| Resistance Rating | 10mOhm Max | 10mOhm Max |
| Temperature Rating | -65° to 85°C | -65° to 85°C |
| Pieces Per Reel (loose Part No.) | NA | NA |
| Pieces Per Reel (reeled Part No.) | / | / |
| Pieces Per Reel (taped Part No.) | / | / |
| Product sheet | Download product sheet | Download product sheet |
Characteristics differ between variants of a connector