Producten
Terug naar productoverzicht
Download product sheet
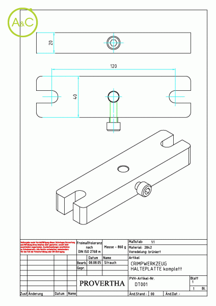
Retaining plate for toggle press crimp tool
Meer info over dit merk:
Provertha
Provertha
- General
| Article Number | DT 001 |
Eigenschappen verschillen tussen varianten en subvarianten