Producten
Terug naar productoverzicht
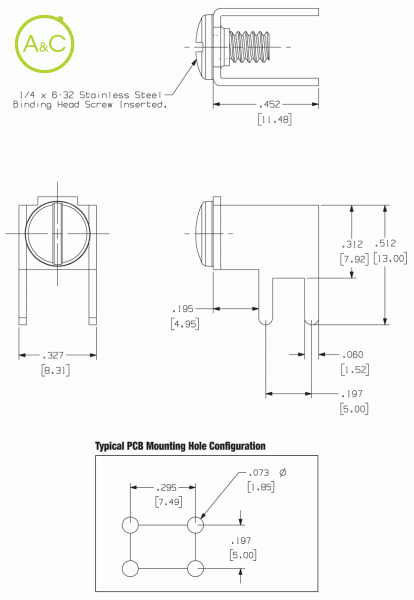
Screw Position
- Inserted & Down
- Inserted, Staked & Backed Out
- No Screw
| Article Number | 1117 ST.S* | 1116 ST.S* |
| Remark | ST.S = Stainless steel screw | ST.S = Stainless steel screw |
| Packaging | Loose | Loose |
| Material Thickness / Type | 0.032" (0.81mm) C26000 Brass | 0.032" (0.81mm) C26000 Brass |
| Standard Finish | Pre-finished 100% Matte Tin over Copper. Edges will be bare. (16) | Pre-finished 100% Matte Tin over Copper. Edges will be bare. (16) |
| Current Rating | 30 Amperes | 30 Amperes |
| Screw Type | Stainless Steel Binding Head 1/4" (6.35mm) x 6-32 | Stainless Steel Binding Head 1/4" (6.35mm) x 6-32 |
| Wire Stop | No | Yes |
| Pieces Per Reel (loose Part No.) | NA | NA |
| Product sheet | Download product sheet | Download product sheet |
Eigenschappen verschillen tussen varianten en subvarianten
Zierick