Producten
Terug naar productoverzicht
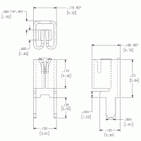
Universal Tab Receptacles for 0.025" (0.64mm) and 0.032" (0.81mm) Thick Terminals
Meer info over dit merk:
Zierick
Zierick
Packaging
- Loose
- Reeled
| Article Number | 1290 |
| Extra Description | Mounting type is Inward or Outward Splay |
| Mating Terminal Size | 0.025" (0.64mm) and 0.032" (0.81mm) |
| Material Thickness / Type | 0.016" (0.41mm) C26000 Brass |
| Standard Finish | 100% Tin over Copper |
| Current Rating | 20 Amperes |
| Applicator System | Loose: ZPT81-1092 Reeled: Model 9700, 9700 XY |
| Mounting Type | Inward or Outward Splay |
| Mounting Hole Diameter | 2 holes 0.066" ±0.003" (1.68mm ±0.76mm) on 0.134" ±0.003" (3.40mm ±0.76mm) centers |
| Resistance Rating | 10mOhm Max |
| Mating Entry | Top and Horizontal |
| Temperature Rating | -65° to 85°C |
| Pieces Per Reel (loose Part No.) | NA |
| Pieces Per Reel (reeled Part No.) | / |
| Product sheet | Download product sheet |
Eigenschappen verschillen tussen varianten en subvarianten