 
			Connectoren
				
																								
							Terug naar productoverzicht
						
									
								
					
										
						
				
								
					
																				
																		
							
								
																													                                        																																																																																																																																				
							
						
												
												
												
							
					
					
					
										
						
					
					
						
				
					
				
						
						
														
			
		Number Of Poles
- 3
- 5
- 8
- 12
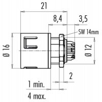
| Article Number | 99 9107 400 03 | 
| Connector Diameter | 16 mm | 
| Number Of Contacts | 3 contacts | 
| Connector Locking System | Snap-in | 
| Termination | Solder | 
| Wire Section | 0.75 mm² | 
| Protection Degree | IP67 | 
| Upper Temperature | +85 °C | 
| Lower Temperature | -40 °C | 
| Rated Voltage | 250 | 
| Rated Impuls Voltage | 2500 V | 
| Pollution Degree | 2 | 
| Overvoltage Categorie | II | 
| Material Group | II | 
| Rated Current (40°) | 7 A | 
| Max. Contact Resistance | 3 mΩ | 
| Material Of Contact | CuZn (Brass) | 
| Plating | Au (Gold) | 
| Material Of Insert | PA (UL 94 V-0) | 
| Material Of Housing | PA (UL 94 V-0) | 
| Product sheet | Download product sheet | 
							 Eigenschappen verschillen tussen varianten en subvarianten
						
					 
						 
							
							
								 
							
							
								 
							
						 
										 
										 Binder
									Binder