 
			Producten
				
																								
							Terug naar productoverzicht
						
									
								
					
										
						
				
								
					
																									
															
																		
							
								
																													                                        																																																																																																																																				
							
						
							
					
					
					
										
						
					
					
						
				
					
				
						
						
														
			
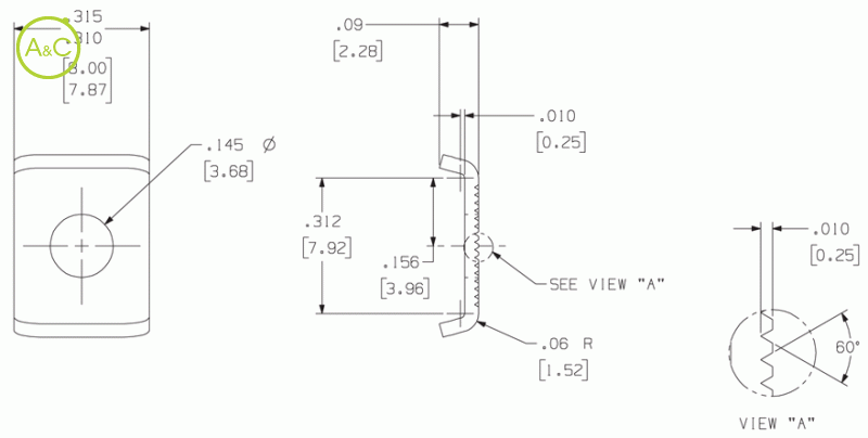
		- General
| Article Number | CPB 9030 | 
| Packaging | Loose | 
| Material Thickness / Type | C26000 Brass | 
| Standard Finish | 100% Tin over Copper | 
| Current Rating | 30 Amperes | 
| Product sheet | Download product sheet | 
							 Eigenschappen verschillen tussen varianten en subvarianten
						
					 
						 
							
							
								 
							
							
								 
							
						 
										 
										 Zierick
									Zierick